 元器件信息库
 元器件信息库   L7805
 L7805
                    
                    
                    十二月 24 2019
L7805中文资料_电路图_引脚图_PDF下载_封装_参数
描述
电路中的电压源可能会有波动,导致无法提供固定的电压输出。稳压器IC将输出电压保持在恒定值。7805 IC是用于保持这种波动的78xx系列固定线性稳压器的成员,是一种流行的稳压器集成电路(IC)。78xx中的xx表示它提供的输出电压。7805 IC提供+5 V稳压电源,并带有增加散热片的规定。
产品图片

L7805
规格参数
| 产品型号 | L7805 | 
| 制造商 | STMicroelectronics,Inc. | 
| 说明 | 固定正标准稳压器,5VBIPolar,MBFM2 | 
| 符合REACH | 是 | 
| 调节器类型 | 固定正单输出标准稳压器 | 
| 最小输入电压 | 7.0伏 | 
| 最大输入电压 | 25.0伏 | 
| JESD-30代码 | O-MBFM-P2 | 
| 功能数量 | 1个 | 
| 端子数 | 2 | 
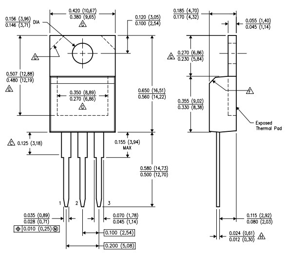
| 封装类型 | TO-220 | 
| 芯片标号 | 7805 | 
| 工作温度,TJ-最小值 | -55℃ | 
| 工作温度,TJ-最大值 | 150℃ | 
| 输出电流1-最大 | 1.5安 | 
| 输出电压1-标称 | 5.0伏 | 
| 输出电压1分钟 | 4.65伏 | 
| 输出电压1-最大 | 5.35伏 | 
| 包装主体材料 | 金属 | 
| 包装代码 | TO-3 | 
| 包装形状 | ROUND | 
| 包装形式 | FLANGE MOUNT | 
| 安装方式 | 通孔 | 
| 技术 | 双极 | 
| 终端表格 | PIN / PEG | 
| 终端位置 | 底部 | 
特点
- 热过载保护 
- 短路保护 
- 输出转换SOA保护 
- TO220封装中的压接引线 
应用领域
- 固定输出稳压器 
- 负配置的正稳压器 
- 可调输出稳压器 
- 电流调节器 
- 可调直流稳压器 
- 稳压双电源 
- 输出极性反转保护电路 
- 反偏投影电路 
- 建筑电路 
- 电感表 
- 电话充电器 
- 便携式CD播放器 
- 红外遥控扩展 
- UPS电源电路 
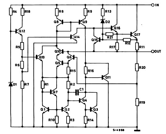
电路图
 
                                引脚图
 
                                引脚功能说明
| 引脚号 | 引脚名称 | 描述 | 
| 1 | 输入 | IC的此引脚在调节中提供了正的未调节电压。 | 
| 2 | 地面 | 在此引脚上接地。该引脚对于输入和输出均是中性的。 | 
| 3 | 输出值 | 调节后的5V电压的输出在IC调节器的此引脚处取出。 | 
封装

L7805封装图
PDF资料
产品制造商介绍
1987年,两家历史悠久的半导体公司意大利SGS Microelettronica和法国汤姆逊半导体公司合并后,成立了今天的意法半导体公司,公司从1994年起成为上市公司。意法半导体被评为半导体工业最具创新力的公司之一,拥有 20,000 项左右的专利和待批专利申请(3)。’ 拥有丰富的芯片制造工艺,包括先进的 CMOS 逻辑(互补金属氧化物半导体)、混合信号、模拟和功率制造工艺,意法半导体是开发下一代 CMOS 技术的国际半导体开发联盟(ISDA)的合作企业之一。
相关产品推荐
| 图片 | 产品型号 | 品牌 | 描述 | 数量 | 价格 (USD) |  | L7805CV | Company:STMicroelectronics | Remark:L7805CV是一款三端正电压调节器,具有几个固定的输出电压,使其适用于多种应用。这些调节器可以提供本地卡上调节,从而消除了与单点调节相关的配电问题。 | In Stock:On Order Buy | Buy | Price:call |  | L7812CV | Company:STMicroelectronics | Remark:L7812CV固定输出稳压器可广泛用于电子行业中的各种应用。三端正线性稳压器可通过提供本地卡上调节来消除与单点调节有关的问题。 | In Stock:On Order Buy | Buy | Price:call | 


 
                             
                             
                             
                             
                             
                             
                                 
                                 
                                 
                                 
                                 
                                 
                                 
                                 
                                 
                                 
                                 
                                 
                                 
                                 
                                 
                                 
                                 
                                     
                                    